無錫錫山閥門廠有限公司-【官網】
無(wú)錫錫山閥門(men)廠有限公司(sī) >> 首頁 >> 産(chǎn)品展示 >> 球閥(fá) >> 三塊式焊接(jiē)球閥

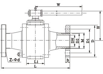
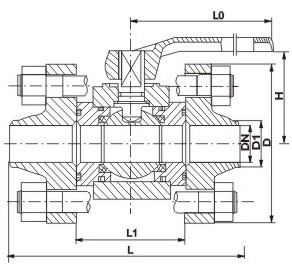
三塊式(shì)焊接球閥

三(san)塊式焊接球(qiu)閥

名稱:三塊(kuài)式焊接球閥(fa)

型号:Q61F-160/320

口徑:DN10----DN100

壓(yā)力:16Mpa、32Mpa

溫度:--40℃--350

材(cai)質:WCB、304、316、304L、316L……

設計(jì)标準:GB、API、DIN、JIS、ANSI……

总 公 司急 速(sù) 版WAP 站H5 版无线(xian)端AI 智能3G 站4G 站(zhan)5G 站6G 站
·
·
 
·